- ANTÉNNÍ A SATELITNÍ TECHNIKA
- MODELÁŘSKÉ POTŘEBY a AKUMULÁTORY
PODPORUJEME:
klub nadšenců jezdící s rc auty v měřítku 1/10 elektro,
přidejte se k Nám!
www.moraviarcracing.cz
jezdíme,trénujeme na závodech bo kdo se bojí nesmí do lesa......nebojte se přidat....
- Úvod
- Elektromotory
- Střídavé
- 0.5-1kg
- Inrunnery
- Mega ACn 16/15/6
Mega ACn 16/15/6
- Kompletní specifikace
Mega ACn 16/15/6Není skladem2 089 Kč1 726 Kč bez DPH
Pro rychlejší modely do 0.9kg,akrobat do 0.7kg.Regulátor 20A
Motor je určen především pro rychlejší do 0,9 Kg a akrobatické modely do 0,7 kg na 7 až 8 článků NiCd, NiMH nebo 2 články Li-ION, Li-POL s doporučenými vrtulemi o velikosti 6x5“ až 7x7“, odběr proudu s těmito vrtulemi nepřesáhne 13A .
Vhodný i pro malé větroně s přímým pohonem.
Je to motor jako ideální náhrada 400-kového motoru na přímý pohon, se stejnou vrtulí, ale s vyššími otáčkami a nižším proudem a to vše ještě ve vyšší účinnosti !
Naměřené údaje:
| počet článků | vrtule 6x5“ Aeronaut Glas | vrtule 6,5x4“ Aeronaut Glas | vrtule 7x7“ Aeronaut Glas | |||
|---|---|---|---|---|---|---|
| otáčky [ot/min] | proud [A] | otáčky [ot/min] | proud [A] | otáčky [ot/min] | proud [A] | |
| 7 | 10900 | 6 | 10850 | 6,1 | 9300 | 10 |
| 8 | 12600 | 7,8 | 12500 | 7,9 | 10400 | 12,9 |
Účinnost motorů dosahuje až 88%. K motoru je doporučen regulátor do 12A nebo 18A - podle velikosti vrtule.
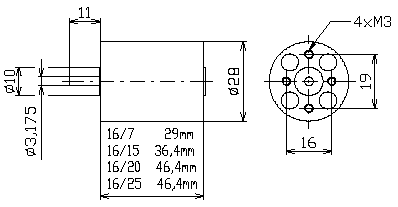
Rozměrově odpovídá tento model motorům řady 400, uchycuje se dvěma šrouby M3 na rozteči 16mm nebo 19 mm . To přináší snadnou záměnu při zástavbě tohoto motoru za motor řady mig 400 nebo mig 480
| typ | počet článků Ni/Lixx | otáčky na volt [RPM/1V] | maximální proud [A] | doporučený počet článků Ni/Lixx | vnitřní fázový odpor [mΩ] | počet závitů | hmotnost [g] |
|---|---|---|---|---|---|---|---|
| 16/15/6 | 4-16/ 2-5 | 1420 | 18 | 7/2-3 | 50 | 6 | 76 |

