- ANTÉNNÍ A SATELITNÍ TECHNIKA
- MODELÁŘSKÉ POTŘEBY a AKUMULÁTORY
Novinky
02.04.2026
Technika se kterou jezdíme
Bidovský Aleš ml.
----Off-road:
-kategorie Buggy 2WD
--------podvozek XRAY XB2 26
--------motor HW 6.5T
--------regulátor NITRIDE Elceram
---...
číst celé
09.01.2021
Povinná registrace pilotů,modelářů jak na to.
Pravidla pro provoz dronů a leteckých modelů od 31.12.2020
Od 31. prosince 2020 platí nová pravidla pro provoz bezpilotních letadel. Pod pojmem bezpi...
číst celé
05.07.2020
závody RC Buggy 1/8 MČR Kolín 4.7.2020
Na 1. závod MČR v Kolíně jsme se moc těšili,nové auta,nový pohon v 1/8E(LRP) b nás budovali myšlenku že to byde zajímavé,no,bylo,pohon v Ečku byl opra...
číst celé
PODPORUJEME:
klub nadšenců jezdící s rc auty v měřítku 1/10 elektro,
přidejte se k Nám!
www.moraviarcracing.cz
jezdíme,trénujeme na závodech bo kdo se bojí nesmí do lesa......nebojte se přidat....
- Úvod
- Elektromotory
- Střídavé
- Pro letadla
- 0.5-1kg
- Mega ACn RC400/15/5
Mega ACn RC400/15/5
- Kompletní specifikace
Mega ACn RC400/15/5Není skladem1 390 Kč1 149 Kč bez DPH
Kompletní specifikace
Kompletní specifikace
Pro větroň do 800g,trenér do 650g,akrobat do 600g,3D do 400g,max 130W,regulátor 20A
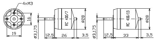
RC 400/15/5
1200 ot/min/1V, SPORTOVNÍ verze
- určený speciálně na 2 Li-Pol baterie nebo 6-7 článků, výkonnější verze. Přímý pohon.
- doporučené vrtule od 7" do 11" , na 3D létání 8x4,7", 9x4,7", 10x4,7", 11x4,7" APC
- proudový odběr do 15 A.
Doporučené setupy
![]() | ![]() | ![]() | ![]() | ![]() | ||
|---|---|---|---|---|---|---|
| 600 | 21,2 | 2s | 18A/60s | 20A | 9"x4,5" | |
| 400 | 14,1 | 2s | 18A/60s | 20A | 10"x3.8" | |
| 800 | 28,2 | 2s | 18A/60s | 20A | 9"x5" | |
| 650 | 22,9 | 3s | 18A/60s | 30A | 8"x5" | |
Technické parametry:
| typ | počet článků Li-pol | otáčky na volt [RPM/1V] | maximální proud [A] | vnitřní fázový odpor [mΩ] | počet závitů | hmotnost [g] |
|---|---|---|---|---|---|---|
| 400/15/5 | 2 | 1210 | 16 | 41 | 5 | 63 |
| 400/15/6 | 2-3 | 1070 | 15 | 47,5 | 6 | 63 |
| 400/15/7 | 2-3 | 915 | 14 | 66,5 | 7 | 63 |
| 400/15/8 | 2-3 | 800 | 12 | 92,5 | 8 | 63 |
Zboží zařazeno v kategoriích






