- ANTÉNNÍ A SATELITNÍ TECHNIKA
- MODELÁŘSKÉ POTŘEBY a AKUMULÁTORY
Novinky
02.04.2026
Technika se kterou jezdíme
Bidovský Aleš ml.
----Off-road:
-kategorie Buggy 2WD
--------podvozek XRAY XB2 26
--------motor HW 6.5T
--------regulátor NITRIDE Elceram
---...
číst celé
09.01.2021
Povinná registrace pilotů,modelářů jak na to.
Pravidla pro provoz dronů a leteckých modelů od 31.12.2020
Od 31. prosince 2020 platí nová pravidla pro provoz bezpilotních letadel. Pod pojmem bezpi...
číst celé
05.07.2020
závody RC Buggy 1/8 MČR Kolín 4.7.2020
Na 1. závod MČR v Kolíně jsme se moc těšili,nové auta,nový pohon v 1/8E(LRP) b nás budovali myšlenku že to byde zajímavé,no,bylo,pohon v Ečku byl opra...
číst celé
PODPORUJEME:
klub nadšenců jezdící s rc auty v měřítku 1/10 elektro,
přidejte se k Nám!
www.moraviarcracing.cz
jezdíme,trénujeme na závodech bo kdo se bojí nesmí do lesa......nebojte se přidat....
- Úvod
- Elektromotory
- Střídavé
- 1-2kg
- Inrunnery
- Mega ACn 16/25/6
Mega ACn 16/25/6
- Kompletní specifikace
Mega ACn 16/25/6Není skladem2 500 Kč2 066 Kč bez DPH
Kompletní specifikace
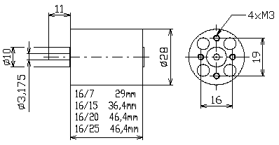
Pro větroň do 2000g,trenér do 1400g,akrobat 1200g,3D 700g,regulátor 20A
Motor určený speciálně pro přímý pohon elektroletů – větších PARK FLYERŮ, elektrovětroňů cca do 2 kg, motorových modelů (polomakety), s napájením 7-mi až 8-mi článkovou NiCd baterií nebo 2 x Li-Pol baterie. Velký kroutící moment tohoto motoru umožňuje použít vrtule o velikosti 8“ až 11“ při proudu nepřesáhujícím 15 A.
Naměřené hodnoty:
| počet článků | vrtule 8,5x5“ Aeronaut Glas | vrtule 8x6“ E APC | vrtule 8x5“ Aeron. sklopná | vrtule 10x6“ Aeronaut Glas | vrtule 10x6“ Aeron. sklopná | vrtule 11x7“ APC | ||||||||||||
|---|---|---|---|---|---|---|---|---|---|---|---|---|---|---|---|---|---|---|
| otáčky [ot/min] | proud [A] | tah [g] | otáčky [ot/min] | proud [A] | tah [g] | otáčky [ot/min] | proud [A] | tah [g] | otáčky [ot/min] | proud [A] | tah [g] | otáčky [ot/min] | proud [A] | tah [g] | otáčky [ot/min] | proud [A] | tah [g] | |
| 6 | 6910 | 4,1 | 244 | 6420 | 5,7 | 226 | 6690 | 4,0 | 228 | 5960 | 7,5 | 436 | 5950 | 7,0 | 406 | 4780 | 12,6 | 600 |
| 7 | 7780 | 5,1 | 318 | 7200 | 7,0 | 282 | 7560 | 5,0 | 290 | 6650 | 9,2 | 550 | 6660 | 8,6 | 625 | 5240 | 15,1 | 730 |
| 8 | 8760 | 6,3 | 422 | 8100 | 8,9 | 362 | 8520 | 6,3 | 382 | 7350 | 11,1 | 660 | 7350 | 10,3 | 625 | 5600 | 17,6 | 840 |
| 9 | 9620 | 7,5 | 510 | 8760 | 10,6 | 432 | 9300 | 7,4 | 454 | 7900 | 12,6 | 760 | 7920 | 11,9 | 715 | 5940 | 19,6 | 945 |
| Napětí [V] | Vrtule | |||
|---|---|---|---|---|
| AE CAM Carbon 9x5", r.40mm | AE CAM Carbon 10x6", r.40mm | |||
| Otáčky [ot./min] | Proud [A] | Otáčky [ot./min] | Proud [A] | |
| 9 | 6800 | 5,3/td> | 6560 | 7/td> |
| 10 | 7500 | 6,4 | 7160 | 8,2 |
| 11 | 8160 | 7,5 | 7800 | 9,5 |
| typ | počet článků Ni/Lixx | otáčky na volt [RPM/1V] | maximální proud [A] | doporučený počet článků Ni/Lixx | vnitřní fázový odpor [mΩ] | počet závitů | hmotnost [g] | |
|---|---|---|---|---|---|---|---|---|
| 16/25/6 | 4-16/3-6 | 840 | 18 | /3-4 | 65 | 6 | 115 |

